友情提醒:深圳市程华电子有限公司为深圳欧创芯半导体有限公司的一级代理商,全程为客户提供售前、售中和售后服务。产品主要为DC-DC中低压恒流恒压驱动,型号齐全,为了节约你的宝贵时间,请在产品选型前与客服沟通!部分产品可以免费为您提供样品,详情咨询客服!
概述
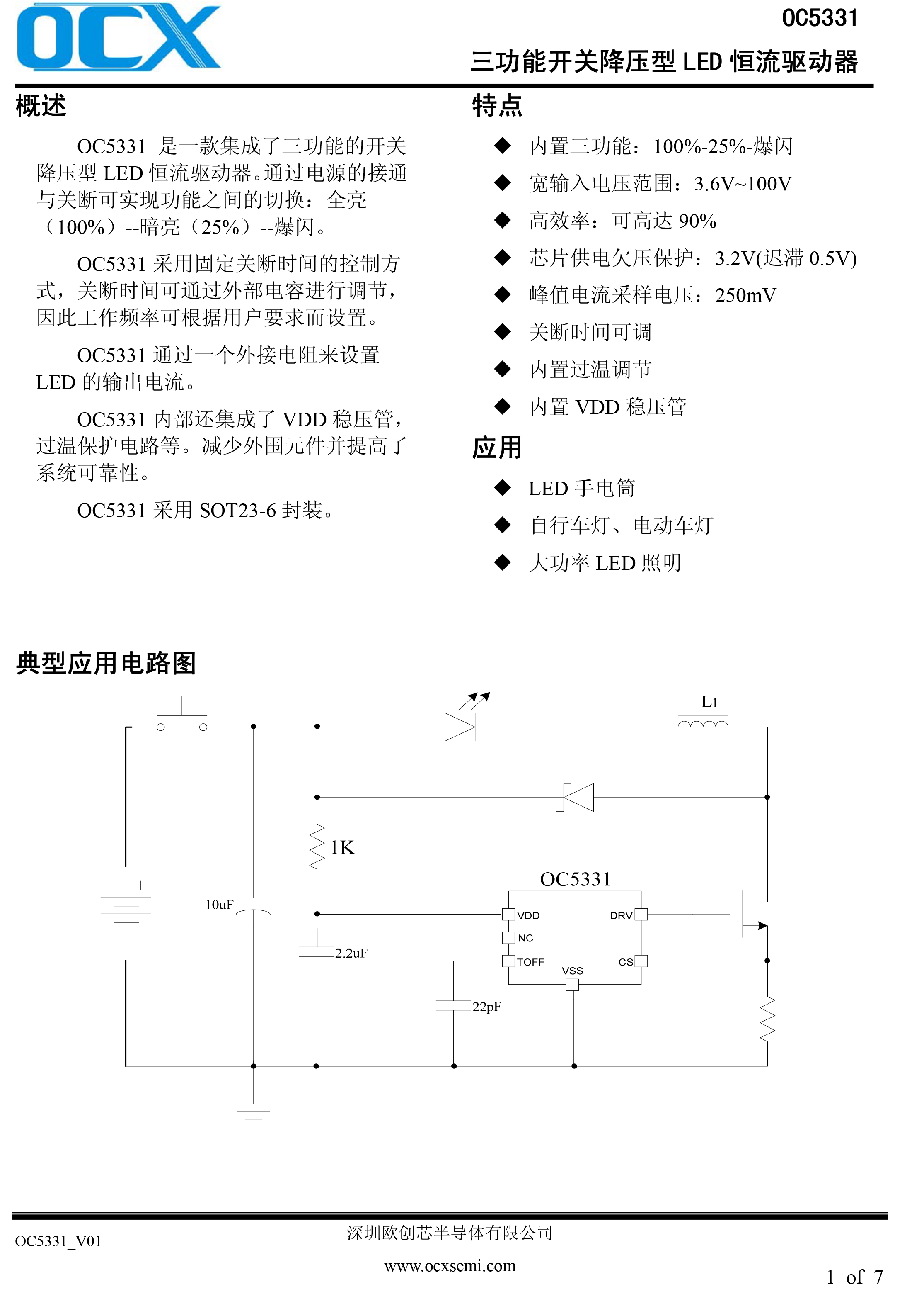
OC5331是一款集成了三功能的开关降压型LED恒流驱动器。通过电源的接通与关断可实现功能之间的切换:全亮(100%)--暗亮(25%)--爆闪。
OC5331采用固定关断时间的控制方式,关断时间可通过外部电容进行调节,因此工作频率可根据用户要求而设置。
OC5331通过一个外接电阻来设置LED的输出电流。
OC5331内部还集成了VDD稳压管,过温保护电路等。减少外围元件并提高了系统可靠性。
OC5331采用SOT23-6封装。
特点
◆内置三功能:100%-25%-爆闪
◆宽输入电压范围:3.6V~100V
◆高效率:可高达 90%
◆芯片供电欠压保护:3.2V(迟滞0.5V)
◆峰值电流采样电压:250mV
◆关断时间可调
◆内置过温调节
◆内置VDD稳压管
应用
◆LED手电筒
◆自行车灯、电动车灯
◆大功率LED照明





